REGULACIJE
Motorni pogoni Seltron AVC
| Proizvajalec |
|---|
Motorni pogoni Seltron AVC so namenjeni reguliranju rotacijskih mešalnih in krogelnih ventilov. Sodobna konstrukcija in vrhunski materiali zagotavljajo zanesljivo in neslišno delovanje.
Dokumenti za prenos

Motorni pogoni Seltron AVC
Tehnični list
Opis
Motorni pogoni Seltron AVC
Motorni pogoni AVC so namenjeni reguliranju rotacijskih mešalnih in krogelnih ventilov. Sodobna konstrukcija in vrhunski materiali zagotavljajo zanesljivo in neslišno delovanje. Dovršen koncept, dizajn in dodatne funkcije (prikaz položaja ventila, prikaz smeri vrtenja z LED lučkami,…) dajejo motornim pogonom AVC neomejene možnosti uporabe.
Uporaba:
• Za krmiljenje različnih mešalnih ventilov v sistemih ogrevanja in hlajenja, kakor tudi v prezračevalnih sistemih.
• Preklop med ogrevanjem in hlajenjem.
• Preklop med ogrevanjem in pripravo tople sanitarne vode.
• Preklop med različnimi viri toplote.
• V solarnih sistemih.
• V sistemih priprave tople sanitarne vode.
• Kot sestavni del v napravah za centralno ogrevanje.
Zmogljivost:
• Možnost montaže neposredno na več kot 20 različnih mešalnih ventilov.
• Robustna konstrukcija.
• Štirje možni položaji namestitve.
• Zaščita motorja ob blokadi mešalnega ventila.
• Signalizacija delovanja s tehnologijo LED.
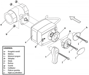
Primer montaže:







